после долгих мучений с токарным патроном
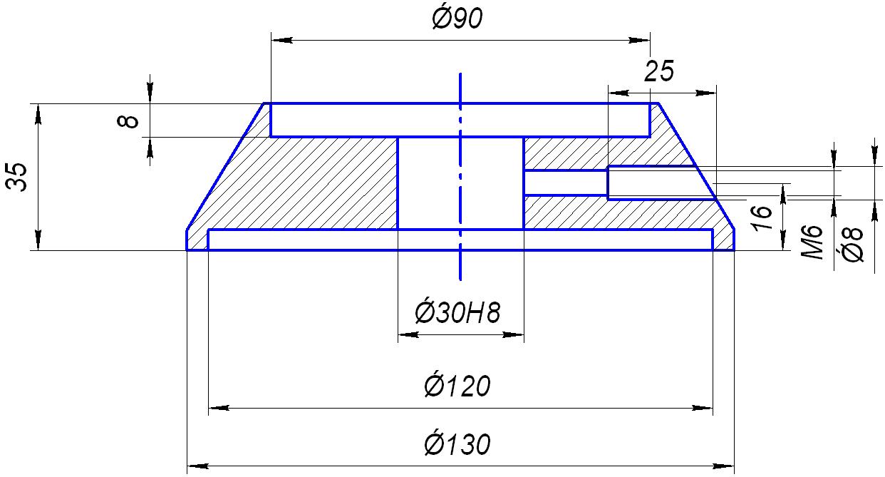
решил заказать себе шарногель на заводе !сначала обясню почем именно заказал а не купил! ответ предельно прост уж больно цена на них кусается
! теперь перейду к вопросу как лучше крепить приблуды к шару ? нарезать резьбу и вкручивать или всётаки просто просверлить или не делать резьбу и какие сможете дать советы по конструкции шара приблуд и подставки под шар!
Развернуть ⇓
решил заказать себе шарногель на заводе !сначала обясню почем именно заказал а не купил! ответ предельно прост уж больно цена на них кусается
! теперь перейду к вопросу как лучше крепить приблуды к шару ? нарезать резьбу и вкручивать или всётаки просто просверлить или не делать резьбу и какие сможете дать советы по конструкции шара приблуд и подставки под шар!







